油气回收的概念
♦定义 (国标:GB20952-2007)—加油站油气回收系统由卸油油气回收系统,汽油密闭储存、加油油气回收系统、在线监测系统和油气排放处理装置组成。该系统的作用是将加油站在卸油、储油和加油过程中产生的油气,通过密闭收集、储存和送入油罐汽车的罐内,运送到储油库集中回收变成汽油。
♦卸油油气回收系统—也称“一级油气回收”—将油罐汽车卸汽油时产生的油气,通过密闭方式收集进入油罐汽车罐内的系统;
♦加油油气回收系统—也称“二级油气回收”—将给汽车油箱加汽油时产生的油气,通过密闭方式收集进入埋地油罐的系统
♦油气排放处理装置—也称“三级油气回收”—针对加油油气回收系统部分排放的油气,通过采用吸附、吸收、冷凝、膜分离等方法对这部分排放的油气进行回收处理的装置
原理
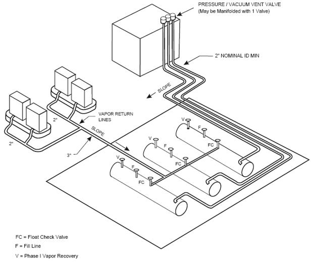
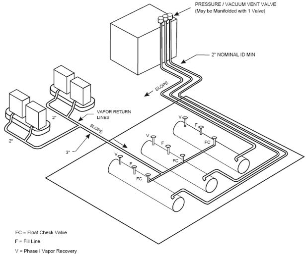
回气管线的布局
回气管线铺设
♦油罐车卸油管道的公称直径宜为DN100,不应小于DN50。卸油连通软管、油气回收连通软管,应采用电阻率不大于108Ω·m的耐油软管。
♦油罐车上的油气回收管道接口,应装设阀门;卸油和油气回收接口应安装DN100的截流阀;
♦与油罐相连通的所有管道均应坡向油罐。油气回收管道的坡度不应小于1%;
♦汽油加油机与油罐之间应设油气回收管道,多台汽油加油机可共用1根油气回收总管,油气回收管道埋地部分的总管道公称直径不应小于DN50;建议使用DN80或DN100;支管直径建议使用DN50 或 DN25;
♦在加油机的底盆油气回收立管上应安装1个用于连接液阻检测装置或密闭性检测装置的三通接头。三通接头连接检测装置的开口应与检测装置的软管接头相匹配(一般为螺纹连接,公称直径25mm),不检测时应用丝堵封闭。
管线坡度的保证
回气管线坡度的要求及保证
【有效坡度】
国标5.1.5规定,连接排气管的地下管线应坡向油罐,坡度不应小于1%
【设计支撑】
实际应用中,当地下管线没有可靠支撑时,会发生沉降变型,影响回气管路的坡度
【施工效果】
在施工中,需严格检测管线铺设底层的支撑,保证管线在地面恢复后,依然保证管线的坡度要求
【液阻检测】
回气管路坡度不足的弥补方法
♦排液井原始油罐埋深不够,管线斜率难以满足要求时,可采用排液井的方式解决

注意事项-1 油罐间的正确连通
♦油站管路铺设中,除了坡度和管径之外,还应尽可能在地下将各个汽油储罐进行连通 ♦特别是当卸油区域与排空管相距较远时,更应连接各汽油罐 ♦各罐连接可以大大降低卸油的时间。
注意事项-2 浮球阀的安装
浮球阀的功能:特征:
可有效阻止溢油情况的发生。
功能:
卸油时,油位到达浮球阀位置时,浮球球阀内部的浮球会浮起,阻止油品流入回气管及放空管

注意事项-3 回气接头的正确选用
♦加油站的卸油和一级油气回收接口应安装如右图所示的DN100mm的截流阀、密封式快速接头和帽盖 ♦慎用其它规格的回气接头。
真空压力帽的安装
►通气管的公称直径不应小于DN50 ►汽油罐与柴油罐的通气管,应分开设置 ►管口应高出地面4m及以上,管口与加油站围墙中心线的距离最小可为2m+2kPa~3kPa, -1.5kPa~2kPa
加油机内检测口的合理预留
►为了便于日后的各项测试,各台加油机下方均需留有合理的测试接口 ►具体方案可参考见图 ►建议加装2个球阀,向上的球阀与加油机回气管线相连;侧向的球阀连接预留的环保检测口;所留接口为1”►安装阀门后,竖管的高度应基本与加油岛基面平齐,并避开加油机横梁位置
油气排放装置的预留口
►确定主机位置和基座,预留电源线和控制线; ►进气管坡向油罐,坡度 > 1%,连接到回气总管,直径2”; ►回油管坡向油罐,坡度 > 1%,连接到最低标号油罐,直径2”; ►管线连接到气相空间,不能伸入液面以下; ►清洁空气连接到排放管,排放管附带排放检测口,球阀,阻火器。要求与油罐呼吸管等同。
国标的四项检测指标
►液阻检测►凝析液体滞留在油气管线内或因其他原因造成气体通过管线时的阻力
►密闭性检测
►油气回收系统在一定气体压力状态下的密闭程度
►气液比检测
►加油时收集的油气回收体积与同时加入油箱内的汽油体积的比值
►排放浓度检测
►标准状态下(温度273K,压力101.3kPa),排放每m3干气中所含非甲烷总烃的质量,单位为g/m3.
影响液阻和密闭性的因素
►回气管路的坡度 ►回气管路的内径 ►液阻首次检测的最佳时机和方法
影响密闭性的诸多因素
►油罐,及其附件如大法兰盖,人工量油口/液位仪探棒接口,潜泵支撑立管等。►油气回收总线管
►加油机内管线
以及...
►P/V阀
►后处理设备
►后处理系统管线
►卸油口快速接头及回气口快速接头
最好进行分析打压测试,逐个发现问题和解决问题。









