VeederVac 二级油气回收系统(电子式)安装、调试及验收手册
概 述
维德路特公司对本文档不做任何保证,包括(但不限于)作为商品销售和特殊应用
维德路特公司对于这里或者偶然或者以后引起的与本文档的加工、性能和使用等有关的错误不负任何责任
维德路特公司保留改变系统选项或功能,或本文档所含信息的权利
本文档包含的内容受版权保护。维德路特公司拥有全部权利。没有获得维德路特公司事先书面允许,不得将本文档的任何部分更改或者翻译成其他语言。
更多的故障诊断信息,请联系维德路特公司的技术支持
损坏/丢失索赔权
请在接收到货物或部件后立即进行全面细致的检查。如果货物有损坏或丢失,请在送货单上写出全面细致的情况描述。货运代理商必须进行核实并在上面签字。只拒收损坏部分,而不是全部货物。
必须在接到货物的30天内通知维德路特公司货物的损坏或丢失。
维德路特指定货运商
联系维德路特公司客服部门,通知损坏或丢失的具体产品部件和数量
传真签署的货运单给维德路特公司客服部门
维德路特公司将向货运商索赔,并免费为客户更换损坏/丢失的货物。客服部门将和工厂一起尽快发出更换产品
客户指定货运商
客户有责任向货运商索赔
客户需要提交更换部件购买订单。客户有责任承担所有费用(包括运费)。维德路特公司客服部门将和工厂一起尽快发出替换产品。
如“丢失”部件在后期运至,并且不再使用,维德路特公司允许货物返回,并不收取费用。
如用户选择自己的货运商,维德路特公司不承担任何损坏赔偿。
退货
对于部件退货流程,请参见维德路特公司“北美环境产品”价格表中关于“通用退货政策”部分。如产品外包装上无清晰的RGA(退货授权)编号,维德路特公司将不接收任何退货。
重点说明
本手册中注意事项多以文本框形式标示,并用黑色斜体字重点强调,安装前应仔细阅读本手册,并遵守相应要求和标准。
目 录
一、维德路特二级油气回收系统的构成
二、维德路特二级油气回收部件
1.油气分离接头
2.Goodyear油气回收同轴长胶管
3.真空辅助安全型拉断阀
4.Veeder-Root油气回收油枪
5.气液比调节阀
6.杜尔油气回收泵
7.气液比控制主板(适用杜尔泵电子式)
8.控制主板24V电源
三、系统安装
1.安装前的条件确认
2.安装前准备工作
3.二级油气回收真空泵安装.
4.油气分离接头安装
5.气路管路及接头
6.电控部分安装-杜尔泵电子式
7.油气回收胶管、油枪的安装
8.地线连接的说明
9.气密性检查
10.最大回气量测定
四、系统调试
1. 油气回收测试设备
2. 油气回收测试设备的使用
3. 详细步骤
五、系统验收
1.目视检查
2.油枪加油测试
3.系统测试
图示:
图 1 油气回收系统结构
图 2 油气分离接头
图 3 同轴长胶管
图 4 拉断阀
图 5 油枪
图 6 气液比调节阀
图 7 杜尔泵
图 8 气液比控制板
图 9 电子式供电电源
图 10 杜尔泵头安装方向
图 11 干式检测连接示意图
一、维德路特二级油气回收系统的构成
二、维德路特二级油气回收部件
维德路特二级油气回收部件清单:
|
序号 |
组件 |
部件号 |
单位 |
单枪用量 |
双枪用量 |
|
1 |
油气分离接头 |
0579246-002 |
件 |
1 |
2 |
|
2 |
固特异同轴长胶管 |
0579245-0** |
件 |
1 |
2 |
|
3 |
真空辅助拉断阀 |
0579246-001 |
件 |
1 |
2 |
|
4 |
AVRN油气回收油枪 |
0900361-00* |
件 |
1 |
2 |
|
5 |
气液比调节阀 |
EPV-10 |
件 |
1 |
2 |
|
6 |
杜尔双头油气回收泵(三相) |
0900359-005 |
件 |
|
1 |
|
6 |
杜尔单头油气回收泵(三相) |
0900359-003 |
件 |
1 |
|
|
7 |
油气回收控制主板 |
0900359-002 |
件 |
1 |
1 |
|
8 |
控制主板供电电源 |
PSG-102 |
件 |
1 |
1 |
注:**表示根据不同的数字代表不同的胶管长度
* 表示根据不同的数字代表不同的枪套颜色
油气分离接头

安装位置:连接 油路管道、气路铜管 和 同轴长胶管
接口规格:连接同轴长胶管端:M34*1.5 ;连接油路管道端:G1”;连接气路铜管端:G 1/4”
注:若有专用油气分离接头,可替换此油气分离接头。
Goodyear油气回收同轴长胶管

安装位置:油气分离接头 和 真空辅助拉断阀 之间
安装要求:长胶管只单端有活结,活结端接拉断阀;无活结端接油气分离接头
接口规格:长胶管两端的螺纹尺寸为:M34*1.5; 两端均为外螺纹
尺寸: 7/8”
胶管容积膨胀率: 小于1%
验证压力: 2.4MPa
真空辅助安全型拉断阀

安装位置:油气回收油枪 和 同轴长胶管之间
接口规格:拉断阀两端的螺纹为: M34*1.5 ;一端外螺纹,一端内螺纹
拉断力: 800~1500N(轴向或者30°内斜拉)
工作压力:< 0.3MPa;
Veeder-Root油气回收油枪

安装位置:与拉断阀进行连接
接口规格:油枪的接口螺纹尺寸为M34*1.5;内螺纹
与拉断阀接口处带有可拆卸滤网
工作压力:< 0.3MPa
最小跳枪流量: 8升/分钟
可提供不同颜色的枪套
气液比调节阀

安装位置:油气分离接头引来的 气路铜管 和 油气回收泵 之间;。
接口规格:进气口和出气口均为:G 1/4”,内螺纹
►阀体应距离真空泵入口20cm以上;阀体应处于水平方向,黑色线圈在铜阀体正上方。
►线圈与阀体的位置对于气液比的控制至关重要,未经培训人员禁止拆卸气液比调节阀线圈。每次拆卸调整后,均需重新进行气液比标定。
杜尔油气回收泵

安装位置:气液比调节阀 和 主回气管线之间
接口规格:进气口和出气口均为:G 1/4”,内螺纹
电机安装孔:70mm*95mm;M6*4,内螺纹;
图示中包含了电机和两个泵头。如果是单头泵,去掉一边的泵头,长度尺寸减少约105mm。
注:上述尺寸中,以380V泵电机尺寸为主,单位:mm;220V泵电机的对应尺寸在括号内相应标注。
气液比控制主板(适用杜尔泵电子式)

安装位置:加油机电脑箱内
安装方式:螺钉固定
电气接口:接收加油机脉冲编码,控制气液比调节阀的开启和油气回收泵的运转
控制主板24V电源


安装位置:加油机电脑箱内
安装方式:螺钉固定
电气标准:220VAC 转成 24VDC,为气液比控制主板 供电
三、系统安装
安装前的条件确认
♦根据所采购的电机供电类型,确定加油机内部有380V或220V电源引入
♦确认安装所需主件和辅件完整
安装前准备工作
♦关闭加油机的电源;并设立必要的警示标记,以防电源被误闭合;
♦在加油机附近设置相关路障,确保加油机周围的工作区域安全;
♦关闭加油机底部的油路切断阀;
♦卸下加油机原有油枪、胶管(以及拉断阀、短胶管、视油器、油路接头)等, 并空干其中的油液到一个许可的容器中;
♦卸下加油机内外蒙皮、顶盖、侧板等,以备内部的改造
二级油气回收真空泵安装
♦取出油气回收泵(带电机),目视检查电机和泵安装方向。泵上有箭头指示回气流动方向,可以根据现场安装条件适当调整泵方向;
♦将气液比调节阀安置在真空泵吸气口的前端,并距离泵入口20cm以上。注意气液比调节阀的安装方向,阀体上箭头指示回气流动方向。连接时,先用手拧紧,以便以后安装到加油机上以及和其它件连接时调整位置,最后再固定;
♦安装时,应保证气液比调节阀黑色的线圈部分处于铜阀体的上方,且阀体呈水平方向;
♦如果气液比调节阀距离泵过远,易因加油机工作时的振动造成连接气液比调节阀的铜管损伤,建议单独为气液比增加支架,并固定于加油机立柱如无调节阀。
♦安装油气回收泵支架 —— 该支架应与加油机的底座或立柱连接牢固。
♦安装泵电机组件,用4只M6 螺栓固定牢;并在四个螺丝固定位置处增加橡胶垫减震。
注:
♦若存在两条以上油枪共用一个加油点的情况,应将这个加油点上各油枪的油气回收的气路在气液比调节阀前端(靠近油枪端)并接到一起,最终汇总到气液比调节阀的入口处。
♦将泵组件的出气口与预留的回气管线连接。如果是多加油点的加油机,各泵组件的出气口利用三通和变径接头等零件汇接到加油机下部预留的回气管线。

|
推荐水平安装,如位置1和位置2。允许以水平位置1为参考向左旋转180度范围内,但禁止向右旋转180度范围。 |
推荐进出气口上下安装,如图1和2位置。允许以位置1位参考向左旋转180±10度范围内,但禁止向右旋转180±10度范围。 |
油气分离接头安装
♦将油气分离接头通过适当的变径接头,与原油路管线连接。
♦气路铜管通过加油机外壳处,建议使用电缆密封接头密封。
如下图

►►油气分离接头可以使用加油机厂配套接头替代,但需保证其螺纹的匹配性以及内部气路的光滑度,以避免安装过程中破坏气路密封O圈。
气路管路及接头
-
使用铜管连接油气分离接头气路和气液比调节阀入口端
-
铜管要求:内径不小于10mm,壁厚不小于1mm
-
铜管在穿过加油机立柱内侧时,需要进行适当固定,固定处加橡胶垫,避免加油机工作时铜管振动产生噪音。固定方式可自行选择
-
所有连接点均采用端面密封形式
-
泵出口处铜管,应坡向回气管线,避免积液。
-
气路上增加额外设备(例如流量计、阀、滤网等)时,应确保系统最大回气量仍能符合要求,且不会对回气稳定性产生影响。
►►Veeder-Root油气回收系统中所有连接点均要求采用端面密封形式,安装时切不可使用各种类型的管路或螺纹密封胶,也不可使用生料带。避免异物进入气路,堵塞回气通路,造成气液比不稳定。
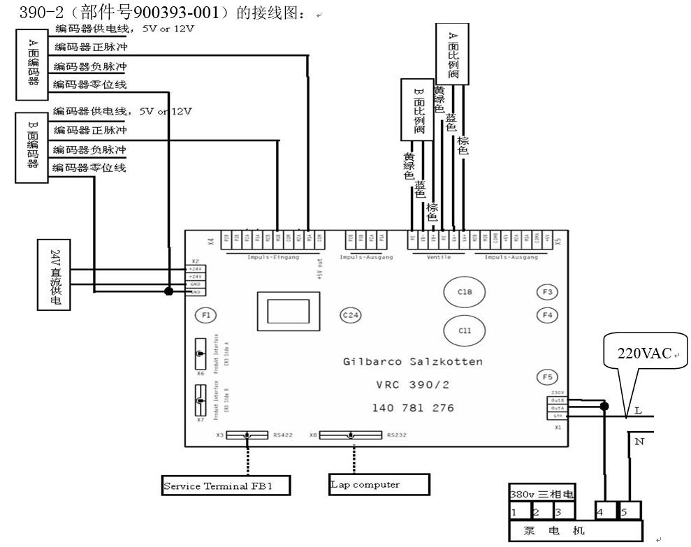
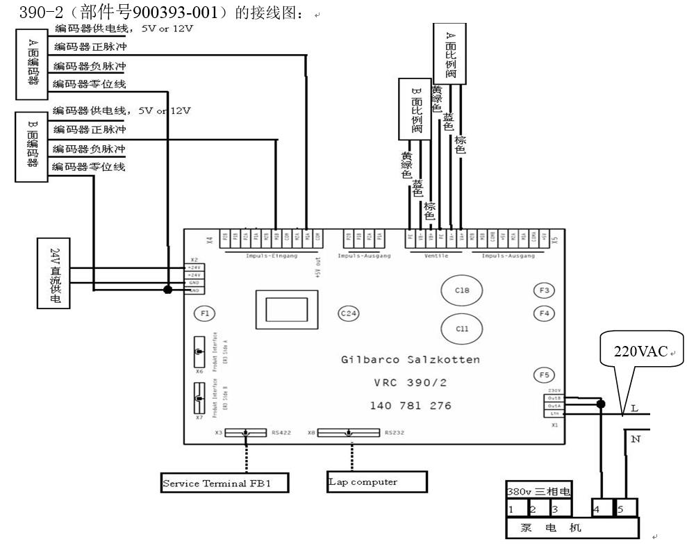
电控部分安装-杜尔泵电子式
维德路特二级油气回收杜尔泵的电控部分由一个控制主板24V电源和一块气液比控制板(VRC板)组成。
VRC有2种型号,分为390-2(部件号900393-001,已停用)和390-3(部件号900393-002) 每块VRC板可以连接2个加油点,可同时对这2个加油点的气液比进行控制。连接方式如下图所示:

♦注:气液比控制支持多枪机。每块可以接2个加油点,每个加油点可以连接最多5把枪,相应接到1A\2A\3A\4A\5A或者1B\2B\3B\4B\5B。
►►正负极一定不能反接!,否则会引起气液比控制板故障。在连接前应测量24V控制电源的输出,确保电压和极性正确后再连接。
-
控制主板24V电源的正极输出端(+V)连接到VRC控制板X2接线端子的+24V,负极输出端(-V)连接到X2接线端子的GND;
-
从脉冲发生器(或编码器)提取一路脉冲信号,连接到VRC控制板X4接线端子的M1A(A枪)和M1B(B枪)线位上;同时将脉冲发生器(或编码器)的零线接到气液比控制板X2接线端子的GND线位上;
-
将A枪对应气路上气液比控制阀的三根引线连接到气液比控制板X5接线端子的VA+(接棕色)、VA-(接蓝色)和PE(接黄绿色)线位上;将B枪对应气路上气液比控制阀的三根引线连接到VRC控制板X7接线端子的VB+(接棕色)、VB-(接蓝色)和PE(接黄绿色)线位上;
-
将泵电机电缆的1、2、3号线与加油机三相电源的三相电源相连;
-
将泵电机电缆的4号线连接到气液比控制板X1接线端子的OutA(A枪)和OutB(B枪)线位上;
-
将泵电机电缆的5号线与供电电源的零线相连接;
-
从220VAC供电电源的火线端单引一根线到气液比控制板X1接线端子的Lin线位上;
-
从220VAC供电电源上引出火线(L线)和零线(N线)连接到控制主板24V电源的输入端。
►►所有电机电缆线需从加油机下部穿过加油机隔板,进入加油机上部空间;在加油机下部空间内,应穿不锈钢防护软管保护。
►►所有隔板穿线口应密封。
►►安装时需明确油枪、编码器、电磁阀、泵的对应关系。A面油枪对应A面编码器,对应A面电磁阀和A面泵;B面油枪对应B面编码器,对应B面电磁阀和B面泵。切勿装反。
油气回收胶管、油枪的安装
♦小心地从出厂包装中取出油枪、胶管和拉断阀等零部件,目视检查连接螺纹,以确保它们完好无损;如果螺纹有损坏,需要更换该部件;
♦目视检查所有油路O型圈和气路O型圈,确保完好;如果O型圈有破损,需要更换该O型圈;
♦在所有油路和气路密封O圈上均匀地涂上润滑油,避免安装过程中O型圈破损;
♦胶管只在一端有活节,活节端应连接拉断阀,无活节端连接油气分离接头;安装时务必注意胶管方向。
♦顺序依次完成油枪 → 拉断阀 → 胶管 → 油气分离接头 的连接。以上各处拧紧时,扭矩为680±50 牛米;
►►拉断阀安装在油枪与胶管之间,勿安装到其他位置;
►►胶管安装后,应确保胶管日常收盘位置合理,避免机动车压损;
►►油枪安装时,后部滤网勿缺失;
地线连接的说明
所有油气回收电机和气液比调节阀安装结束后,应连接相应地线到加油机下部合格的接地点上。地线线径不小于4mm2,且连接可靠。宜采用多股软铜线作为地线,外皮以黄绿色标示。
气密性检查
安装完成后,需要检查各处螺帽是否上紧,并进行气密性检查。气密性检测遵循《油气回收系统气密性测试操作流程》进行。
最大回气量测定
气路的最大回气量限制了气液比的上限;其最大回气量至少应大于最大加油流速的1.2倍。在进行气液比调试前,应进行泵最大回气量的测定。
测试方法:使用手持POS,模拟极限加油流速(例如90升/分钟),真空泵运转后,观察POS上显示的回气流速;参见系统调试E-干式检测。
判定标准:若加油流速小于38升/分钟,气路最大回气量应大于45升/分钟;若加油流速处于38升/分钟与42升/分钟之间,气路最大回气量应大于50升/分钟。
若气路最大回气量不满足以上条件,需重新检查气路气密性和真空泵本身的最大回气量,并相应更正问题部件。
双头泵,两路的最大回气量差异应小于8L/分钟。若超差,应更换低回气量泵头。

四、系统调试
1. 油气回收测试设备
系统调试前,应确定油站的气密测试和各条气路的液阻测试均已通过。气密与液阻均将对气液比的稳定性产生影响。
维德路特电子式油气回收系统使用电磁比例控制阀的模式来控制油气回收的气液比,因此具有以下三大优点:
♦ 采用的是气液比调节阀控制,气液比的控制在全流量范围内均比较准确;
♦ 油气回收控制板上带有对外的通讯接口,可方便地针对不同型号的加油机进行相应的设定,使产品具有很强的适应性;
♦ 具有“干测”功能,能够在不加油的情况下完成系统的设定及调试,可大大减少设定及调试时间;
所需的调试及检测设备包括:
1.带脉冲输出的气体流量计
2.测试用手持POS仪
3.POS仪到气液比控制主板的通讯线
4.专用油枪检测接头及皮管组件
5.油枪气路检测顶杆(螺钉)
2. 油气回收测试设备的使用
a) 将手持POS仪通过附带的通讯线连接到气液比控制主板
b) 将气体流量计的出气口通过软管连接到A/L适配接头;并将气体流量计上的气体脉冲电缆连接到手持终端。
c) 取下油枪。
►►请确认,抬枪信号没有开启。本次调试进行的是干式调整,无需实际加油。因此,抬枪信号一定是关闭的。否则在测试过程中,可能有油品喷出。
d) 如图所示安装A/L适配接头。确保该接头卡紧。应润滑适配器上的胶套,以便于安装和保证气密性

e)如下图,将油枪气路检测顶杆(螺钉)插入油枪的气路测试开启孔中(横穿过油枪)。确定抬枪信号没有开启,然后抬起油枪扳机,用卡片卡住,开启油路和气路;

一次完整的调试包含以下步骤:
-
手持POS和控制主板连接
-
设置加油机脉冲比率
-
设置期望气液比值
-
自动标定
-
干式测试
-
加油实测验证气液比
3.详细步骤
开始自动标定前,需将加油枪的气路打开,以及加油机下部气路管线上的球阀,确保气路畅通。
检查油枪适配器密封是否完好,更换老化破损的密封O圈。插入油枪前需对密封O圈做润滑。
使用手持终端来进行自动标定。为完成油气回收系统的自动标定,必须完成以下各步骤:
A. 按[START]键开启手持终端,直到出现如下界面。
B. 在气液比控制主板中设定脉冲比率
将脉冲比率输入到控制主板中,脉冲比率值为每1升体积对应的单路脉冲数,不同厂家的加油机具有不同的数值。

C. 在控制主板中设定气液比
将期望达到的气液比值输入到控制主板中


D.自动标定

►►自动标定过程中不允许人为停止;若人为停止,气液比扩展主板控制参数将变为0,需对该面重新进行标定;尤其在加油面选择错误时,若已开始运行,所选定的加油面参数将发生变化,需对已选择面重新进行标定。
E.干式检测
►►一定要使用干式检测来验证自动标定结果。干式检测应在A\B全部标定完成后进行,以避免在标定过程中的误操作造成另一个的已标定数据丢失。

手持终端自动开始进行仿真,同时在屏幕上显示如下信息。其中包含:液体流速;回收的气体流速;气液比三项信息。

选择模拟不同的加油流速,重复以上干式检测过程。
►►干式检测前需确定加油的高低档流速;干式检测模拟值应覆盖高低档流速范围。
►►干式测试为模拟测试,应另进行实际加油方式来验证整套油气回收系统。
►►干式检测结束后,请拆下油枪上的油枪气路检测顶杆(螺钉),保存好。
F.液体流速检验
利用手持终端检验液体流速,此步需要进行实际加油,目的是检验输入的脉冲比值是否正确。

G. 湿式测试
用实际加油的方式,检测气液比是否在要求范围内。同时,可以验证脉冲编码线的连接是否正确。
►►检查油枪适配器密封是否完好,更换老化破损的密封O圈。插入油枪前需对密封O圈做润滑。
以上步骤结束后,拆下并整理所有测试工具,保存好。
五、系统验收
系统安装结束后,需对安装结果检验:
目视检查:
所有气路接头紧固可靠,无松动;
泵支架牢固可靠,无松动;并已安装减震垫;
回气铜管紧固,无晃动;加油机工作时,无磕碰产生的异响。
油路管线无渗漏
核实检查电源、气液比控制主板、泵电机接线、电磁阀正确无误,电磁阀与泵已接地
油气回收运行一段时间后,泵出口处并无油渍
油枪加油测试
油枪加油正常,无漏油或异常滴油现象
跳枪测试正常
无提枪走字现象
系统测试:
管线最大回气量:
若加油流速小于38升/分钟,气路最大回气量应大于45升/分钟;若加油流速处于38升/分钟与42升/分钟之间,气路最大回气量应大于50升/分钟。
回气管路的气密性:
从拉断阀端联入设备进行压力测试,气压为1.5kg,1分钟无泄漏
气液比干测结果:
大小流量两档的流速范围内,气液比在100%~120%间
气液比湿测结果
大小流量两档流速范围内,气液比在100%~120%间




